❖ OVERVIEW
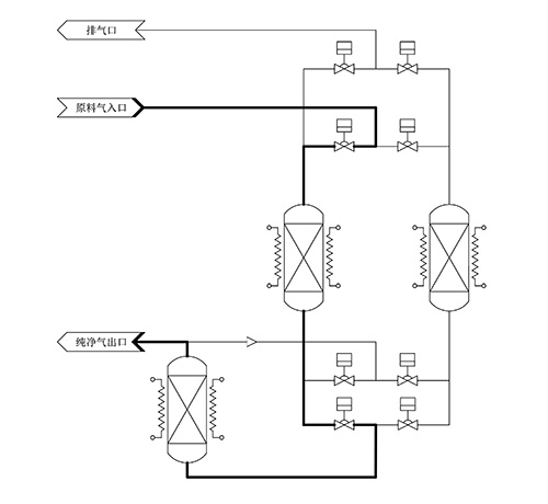
EGS7-H hydrogen purifier operates with adsorption beds connected in series to getters. Two adsorption beds are connected in parallel, alternating between ambient temperature purification and high-temperature regeneration modes. Single or multiple getters are connected in parallel, purifying simultaneously at high temperatures without regeneration. The getter column can be directly replaced afte

❖ CHARACTERISTICS
•Flow range: 10-300Nm3/h | •High precision filter:0.003μm |
•Outlet impurities<1ppb | •Fully automatic operation with 24-hour uninterrupted gas supply. |
•Remove CH4 impurity | •Service life over 20 years |
•316L SS EP Vessel | •Customized according to the different needs of customers |
❖ REMOVAL EFFICIENCY
APPLICABLE GAS | H₂ | |
MODEL | EGS7-H | |
CRAFTS | ADS+GET | |
IMPURITY | INLET | OUTLET |
ppm | ppb | |
H₂O | <5 | <1 |
O₂ | <3 | <1 |
Co | <1 | <1 |
CO₂ | <1 | <1 |
N₂ | <1 | <1 |
CH₄ | <0.5 | <1 |
NMHC | <1 | <1 |
PARTICLES | 一 | ≤1pcs/m³@0.003μm) |
FLOW RANGE | 一 | 10-300Nm³/h |
▶ Note:Only the specification and configuration of the standard models are listed in the table.Please contact EGP for more special requirements.
❖ INDEX TABLE
Flow range Nm³/h | Applicable gas | Crafts | Pressure Range Bar | Reference Dimensions mm |
20-50 | H₂ | 2 x ADS+1 x Getter | 3.5-10 | 1700*1200*2200 |
60-100 | H₂ | 2 x ADS+2 x Getter | 3.5-10 | 1700*1650*2250 |
150-200 | H₂ | 2 x ADS+2x Getter | 3.5-10 | 1900*1800*2450 |
250-300 | H₂ | 2 x ADS+3 x Getter | 3.5-10 | 2450*1800*2550 |
❖ APPLICATION
• Large Scale Integration | • Preform Fabrication |
• Discrete Device | • Semiconductor Equipment Integration |
• Silicon Wafers 、Substrate and Epitaxy | • Ultra-pure,mixture,and standard purifier |
• LASER | • Purge、Carrier gas |
• LED、LCD、OLED | • Academic and Research Institutions |
• High-efficiency Solar Cell | • Pharmaceutical and Industry |