❖ OVERVIEW
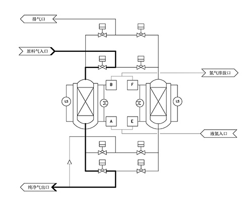
EGS7-C hydrogen purifier operates with multiple liquid nitrogen cooled adsorption beds connected in parallel, alternating between low-temperature purification and high-temperature regeneration modes. It can remove impurities such as CH₄, N₂, and Ar from hydrogen, and in purification mode ADS working temperature is -180℃,regeneration mode working temperature is 150℃.

❖ CHARACTERISTICS
•Flow range: 100-1000Nm3/h | •High precision filter:0.003μm |
•Outlet impurities<1ppb | •Fully automatic operation with 24-hour uninterrupted gas supply. |
•Remove impurities such as CH₄, N₂, and Argon | •Service life over 20 years |
•316L SS EP Vessel | •Customized according to the different needs of customers |
❖ REMOVAL EFFICIENCY
APPLICABLE GAS | H₂ | |
MODEL | EGS7-C | |
CRAFTS | ADS+GET | |
IMPURITY | INLET | OUTLET |
ppm | ppb | |
H₂O | <5 | <1 |
O₂ | <3 | <1 |
Co | <1 | <1 |
CO₂ | <1 | <1 |
N₂ | <1 | <1 |
Ar | <1 | <1 |
CH₄ | <0.5 | <1 |
NMHC | <1 | <1 |
PARTICLES | 一 | H₂ |
FLOW RANGE | 一 | 100-1000Nm³/h |
▶ Note:Only the specification and configuration of the standard models are listed in the table.Please contact EGP for more special requirements.
❖ INDEX TABLE
Flow range Nm³/h | Applicable gas | Crafts | Pressure Range Bar | Reference Dimensions mm |
100-200 | H₂ | 2 x ADS | 3.5-10 | 2060*2250*2600 |
300-500 | H₂ | 2 x ADS | 3.5-10 | 2200*2250*2600 |
600-800 | H₂ | 2 x ADS | 3.5-10 | 2300*2450*2600 |
800-1000 | H₂ | 2 x ADS | 3.5-10 | 2300*2600*2700 |
❖ APPLICATION
• Large Scale Integration | • Preform Fabrication |
• Discrete Device | • Semiconductor Equipment Integration |
• Silicon Wafers 、Substrate and Epitaxy | • Ultra-pure,mixture,and standard purifier |
• LASER | • Purge、Carrier gas |
• LED、LCD、OLED | • Academic and Research Institutions |
• High-efficiency Solar Cell | • Pharmaceutical and Industry |