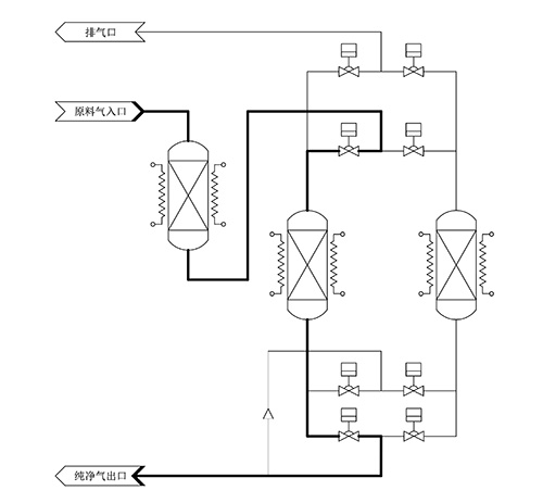
❖ OVERVIEW
EGS6 oxygen purifier operates with catalytic vessel connected in series to ADS vessel. The catalytic vessel works at high temperature without the need for regeneration and replacing, while multiple ADS connected in parallel alternate between ambient temperature purification and high-temperature modes. It has perfect alarm, interlocking and data recording functions, automatic operation.

❖ CHARACTERISTICS
•Flow range: 10-10000Nm3/h | •High precision filter:0.003μm |
•Outlet impurities<1ppb | •Fully automatic operation with 24-hour uninterrupted gas supply. |
•Remove CH4 impurity | •Service life over 20 years |
•316L SS EP Vessel | •Customized according to the different needs of customers |
❖ REMOVAL EFFICIENCY
APPLICABLE GAS | O₂ | |
M O D E L | EGS6 | |
C R A F T S | CAT+ADS | |
IMPURITY | INLET | OUTLET |
ppm | ppb | |
H₂O | <3 | <1 |
Co | <1 | <1 |
CO₂ | <2 | <1 |
H₂ | <1 | <1 |
CH₄ | <25 | <1 |
NMHC | <1 | <1 |
PARTICLES | —— | ≤1pcs/m³(@0.003μm) |
FLOW RANGE | — | 10-10000Nm³h |
▶ Note:Only the specification and configuration of the standard models are listed in the table.Please contact EGP for more special requirements.
❖ INDEX TABLE
Flow range Nm³/h | Applicable gas | Crafts | Pressure Range Bar | Reference Dimensions mm |
10-70 | O₂ | 1 x CAT + 2 x ADS | 3.5-10 | 1200*1200*1900 |
80-150 | O₂ | 1 x CAT + 2 x ADS | 3.5-10 | 1450*1450*2050 |
200-300 | O₂ | 1 x CAT + 2 x ADS | 3.5-10 | 1650*2000*2300 |
400-700 | O₂ | 1 x CAT + 2 x ADS | 3.5-10 | 1900*2300*2500 |
800-1000 | O₂ | 1 x CAT + 2 x ADS | 3.5-10 | 2000*2600*2500 |
1500-2000 | O₂ | 1 x CAT + 2 x ADS | 3.5-10 | 4200*2390*2700 |
2500-3000 | O₂ | 1 x CAT + 2 x ADS | 3.5-10 | 4200*2720*2700 |
3000-4000 | O₂ | 1 x CAT + 2 x ADS | 3.5-10 | 5000*2750*2750 |
5000-6000 | O₂ | 1 x CAT + 2 x ADS | 3.5-10 | 6000*2750*2750 |
7000-10000 | O₂ | 1 x CAT + 2 x ADS | 3.5-10 | 9000*2900*2750 |
❖ APPLICATION
• Large Scale Integration | • Preform Fabrication |
• Discrete Device | • Semiconductor Equipment Integration |
• Silicon Wafers 、Substrate and Epitaxy | • Ultra-pure,mixture,and standard purifier |
• LASER | • Purge、Carrier gas |
• LED、LCD、OLED | • Academic and Research Institutions |
• High-efficiency Solar Cell | • Pharmaceutical and Industry |