❖ OVERVIEW
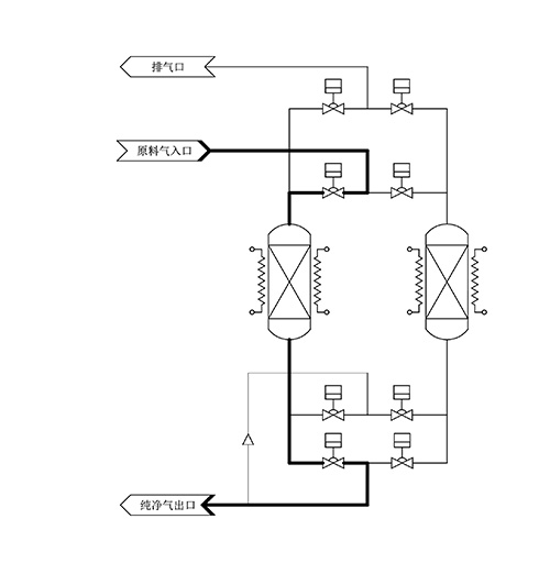
EGS7-A hydrogen purifier operates with multiple adsorption beds connected in parallel, alternating between ambient temperature purification and heated regeneration modes to realize 24H uninterrupted gas supply. It has perfect alarm, interlocking and data recording functions, automatic operation and switch regeneration after ADS completed purification mode automatically.

❖ CHARACTERISTICS
•Flow range: 10-1000Nm3/h | •High precision filter:0.003μm |
•Outlet impurities<1ppb | •Fully automatic operation with 24-hour uninterrupted gas supply. |
•Service life over 20 years | •316L SS EP Vessel |
•Customized according to the different needs of customers |
❖ REMOVAL EFFICIENCY
APPLICABLE GAS | H₂ | |
MODEL | EGS7-A | |
CRAFTS | ADS | |
IMPURITY | INLET | OUTLET |
ppm | ppb | |
H₂O | <5 | <1 |
O₂ | <3 | <1 |
Co | <1 | <1 |
CO₂ | <1 | <1 |
NMHC | <1 | <1 |
PARTICLES | 一 | ≤1pcs/m³@0.003μm) |
FLOW RANGE | 一 | 10-1000Nm³h |
▶ Note:Only the specification and configuration of the standard models are listed in the table.Please contact EGP for more special requirements.
❖ INDEX TABLE
Flow range Nm³/h | Applicable gas | Crafts | Pressure Range Bar | Reference Dimensions mm |
10-50 | H₂ | 2 x ADS | 3.5-10 | 850*900*2000 |
60-400 | H₂ | 2 x ADS | 3.5-10 | 1350*1150*2100 |
500-1000 | H₂ | 2 x ADS | 3.5-10 | 1800*1700*2450 |
❖ APPLICATION
• Large Scale Integration | • Preform Fabrication |
• Discrete Device | • Semiconductor Equipment Integration |
• Silicon Wafers 、Substrate and Epitaxy | • Ultra-pure,mixture,and standard purifier |
• LASER | • Purge、Carrier gas |
• LED、LCD、OLED | • Academic and Research Institutions |
• High-efficiency Solar Cell | • Pharmaceutical and Industry |