
■ INTRODUCTION
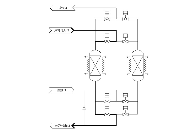
Nitrogen purifier EGS8 operates alternately in two modes-ambient temperature purification and heated regeneration—through two or more adsorption beds connected in parallel,with service life over 20 years.
■ INDEX TABLE
APPLICABLE GAS | N₂ | |
M O D E L | EGS8 | |
CRAFTS | ADS | |
IMPURITY | INLET | OUTLET |
ppm | ppb | |
H₂O | <5 | <1 |
O₂ | <3 | <1 |
CO | <1 | <1 |
CO₂ | <1 | <1 |
H₂ | <2 | <1 |
CH₄ | <0.5 | — |
NMHC | <1 | <1 |
PARTICLES | — | ≤1pcs/m³(@0.003μm) |
FLOW RANGE | — | 10-50000Nm³h |
▶Note:Only the specification and configuration of the standard models are listed in the table.Please contact EGP for more special requirements.